mksports - >四川高考 >四川高考复习 >四川高中物理 >

广安高三零诊2025年高2023级高二下学期期末物理试题及答案

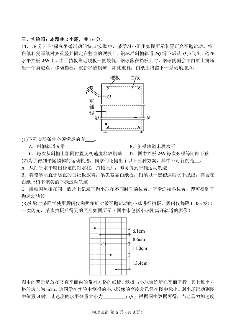
时间: 四川 高中物理

四川省广安高三零诊2025年高2023级高二下学期期末物理考试已于近日开考,为方便考生考后及时查看考试情况,查漏补缺、弥补不足,本文整理了试题答案解析相关信息!

物理试题及答案解析