mksports - >山东高考 >山东高考试题 >山东理综试题 >

山东潍坊2026届高二阶段性调研监测物理试题及答案

时间: 山东 理综试题

山东省潍坊市2026届高二阶段性调研监测(高二下学期期末)物理考试已于近日开考,为方便考生考后及时查看考试情况,查漏补缺、弥补不足,本文整理了试题答案解析相关信息!

汇总:山东潍坊2026届高二阶段性调研监测试题及答案汇总

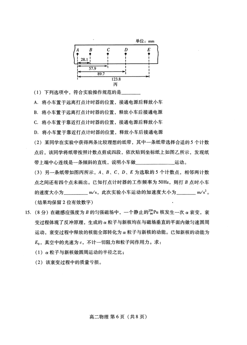
物理试题及答案解析